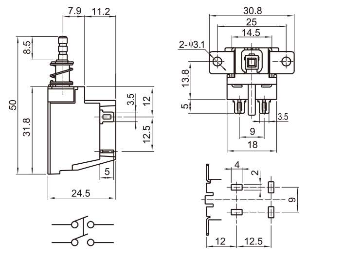
KDC-A04-2-25T
咨询热线:
0577-62362660
产品设计
开模定制
注塑加工
产品组装
产品详情/ details

