KAN-A03-01
咨询热线:
0577-62362660
产品设计
开模定制
注塑加工
产品组装
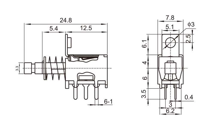
产品详情/ details

